|
Технические решения по применению устройств защиты от импульсных перенапряжений (УЗИП) в электроустановках промышленных объектов и электропитающих установках объектов связи
В результате изучения ряда нормативных документов в области энергетики и связи, накопленного практического опыта работы с проектными организациями и непосредственно техническими службами заказчиков, а также изучения продукции зарубежных фирм изготовителей, у нас сложилась определенная концепция защиты промышленных объектов, объектов проводной, радио и сотовой связи от воздействия импульсных грозовых и промышленных (коммутационных) перенапряжений.
Ниже изложены предлагаемые нами технические решения. Для промышленных объектов, имеющих в своем составе возвышающиеся конструкции, для объектов связи, имеющих высокие антенно-мачтовые сооружения (АМС) или при воздушном вводе электропитания сети 220/380 В, рекомендуется применение как минимум двухступенчатой схемы защиты от перенапряжений (с применением устройств первого и второго класса согласно ГОСТ Р 51992-2002 (МЭК 61643-1-98) "Устройства для защиты от импульсных перенапряжений в низковольтных силовых распределительных системах. Часть 1. Требования к работоспособности и методы испытаний".
Выбор типа защитных устройств и схемы включения.
При воздушном вводе электропитания вне зависимости от наличия антенно-мачтовых сооружений (АМС) или других возвышающихся элементов в составе объекта, когда возможно прямое попадание молнии в провода линии электропередачи в непосредственной близости от объекта:
1) В качестве первой ступени защиты рекомендуется устанавливать:
- В цепях L-N - однофазные грозовые разрядники HAKELSTORM HS55, способные пропускать через себя импульсные токи прямого удара молнии (формы 10/350 мкс) с амплитудным значением до 55 кА, обеспечивающие уровень защиты (Up) менее 4 кВ
- В цепях N-PE грозовые разрядники HAKELSTORM HS100, способные пропускать через себя импульсные токи формы 10/350 мкс с амплитудным значением до 120 кА и гасить сопровождающие токи величиной до 300 А, а также обеспечивающие уровень защиты (Up) менее 2 кВ.
Примечание: разрядники HS100 не используются в случае четырех-проводных схем электропитания TN-C
2) В качестве второй ступени защиты рекомендуется устанавливать:
- В цепях L-N - однофазные варисторные ограничители перенапряжений PIII-230 (PIIIМ-230) или PIII-280 (PIIIМ-280) с максимальным импульсным током 40 кА формы 8/20 мкс и уровнем защиты (Up) менее 1,3 кВ.
- В цепях N-PE разрядники второго класса защиты В20/С, способные пропускать максимальные импульсные токи с амплитудным значением 50 кА (8/20 мкс) и имеющие уровень защиты (Up) менее 1, 3 кВ.
Примечание: разрядники В20/С не используются в случае четырех-проводных схем электропитания TN-C
Возможно применение трехфазных моноблочных устройств SPU3-240 (SPU3-280) или трехфазных модульных - SPU3М-240 (SPU3М-280), конструктивно включающих в себя три варисторных элемента и один разрядник, аналогичных описанным выше. Все варисторные устройства, изготавливаемые фирмой "Hakel", имеют встроенную индикацию исправного/неисправного состояния. Устройства, имеющие в названии индекс DS, а так же все устройства серий SPC и SPU, содержат дополнительные сухие контакты для подключения дистанционной сигнализации. Схемы включения устройств защиты для электропитающих сетей TN-C-S и TN-S приведены на рисунках 1 - 4.
При установке защитных устройств необходимо, чтобы расстояние между соседними ступенями защиты было не менее 10 метров по кабелю электропитания. Выполнение этого требования очень важно для правильной работы (координации срабатывания) защитных устройств. В случае размещения устройств первой и второй ступеней на более близком расстоянии или в одном и том же месте необходимо использовать согласующее устройство в виде импульсного разделительного дросселя.
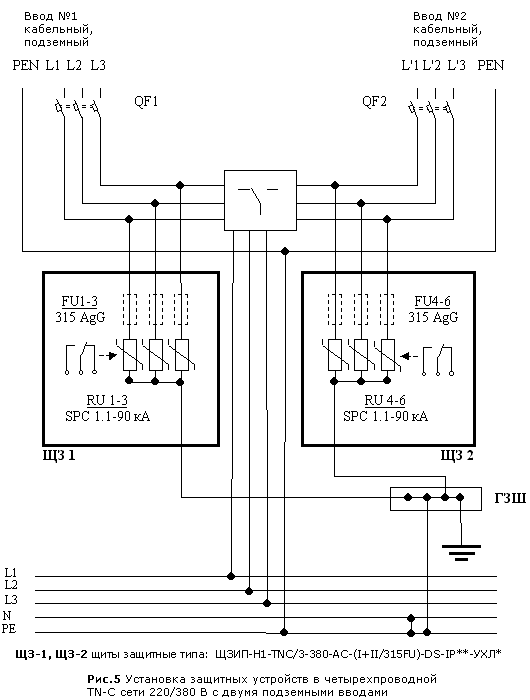
Для объектов с кабельным подземным вводом электрического питания возможно применение комбинированных варисторных УЗИП типа SPC3, SPC3.1, SPC1, SPC1.1, которые по своим входным параметрам соответствуют требованиям к защитным устройствам первого класса (способность отводить импульс тока величиной 10 - 25 кА; формы 10/350 мкс). По своим выходным параметрам (уровень защиты (Up) 1300 - 1700 В при номинальном импульсном токе формы 8/20 мкс) они выполняют требования ко второму классу защиты. Применение подобных устройств позволяет отказаться от использования разделительных дросселей. Пример установки комбинированных УЗИП для объекта, имеющего два ввода электропитания, приведен на рис. 5.
Применение такой защиты может дать экономию до 30 - 40% от случая применения отдельных ступеней защиты с разделительными дросселями. Однако, в случае установки подобных устройств на воздушном вводе электропитания, существует вероятность выхода их из строя при ударе молнии непосредственно в провода ЛЭП вблизи от объекта.
Требования по размещению и монтажу защитных устройств.
a) При применении защитных устройств в электропитающей установке объекта связи контейнерного типа (или аналогичного объекта другого назначения), где решающим критерием являются габаритные характеристики, рекомендуется:
1. Устройства защиты класса I (разрядники серии HAKELSTORM или варисторные УЗИП типа SPC) размещать во вводном щитке, после вводного автомата, но желательно перед счетчиком учета электроэнергии (для его защиты).
2. Устройства защиты класса II (варисторы PIII и разрядник В20/С, или устройства серии SPU3-240, SPU1-240) размещать в том же щитке перед групповыми автоматами (рис.1 и 2). Или, учитывая пожелания заказчика, они могут быть размещены на DIN-рейке выпрямителя (рис. 3 и 4). Второй вариант может быть предпочтительнее в том случае, когда заказчик приобретает выпрямитель, в котором производителем уже установлены защитные устройства II класса в виде дополнительной опции.
3. В любом случае во вводном щитке необходимо установить импульсные разделительные дроссели, так как габаритные размеры объекта контейнерного типа не позволят обеспечить разнесение устройств защиты I и II ступеней на 10 м по длине кабеля. При применении дросселей необходимо предусмотреть на вводе в электроустановку или в той линии, где они установлены, устройства защиты от сверхтоков (автоматические выключатели или предохранители), которые смогут защитить дроссели и проводники электроустановки от токов перегрузки и короткого замыкания. На рисунках 1-4 в качестве примера приведены дроссели PI-L32/15 и, соответственно, автоматические выключатели с номинальным током 32 А.
4. При использовании комбинированных варисторных устройств защиты серии SPC требования по их установке аналогичны тем, которые предъявляются к разрядникам серии HAKELSTORM. Но при этом отпадает необходимость применения разделительных дросселей и варисторных УЗИП II-го класса защиты.




b) При применении УЗИП в электроустановке объекта, когда габаритные характеристики не являются решающим критерием, и в то же время электроустановка находится в процессе эксплуатации и изменения в ее монтажной схеме нежелательны, рекомендуется: устанавливать дополнительные щиты защиты от импульсных перенапряжений ЩЗИП различных типов (в зависимости от особенностей объекта).
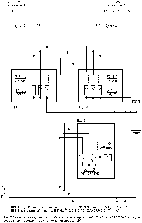
На рисунках 5-7 приведены варианты установки и подключения, а так же типы защитных щитов.



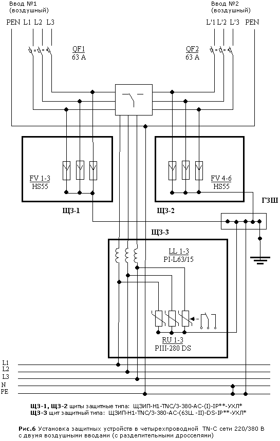
В схеме, приведенной на рисунке 6, дополнительно установлены разделительные дроссели между первой и второй ступенями защиты. Необходимость их применения описана выше. Следует отметить, что разделительные дроссели выбираются с учетом тока нагрузки в каждой фазе электроустановки. При этом в модельном ряду фирмы производителя для установки на DIN-рейку предусмотрены дроссели с номинальным током до 63 А. Дроссели с более высоким максимальным током (до 120 А) имеют большие габариты и не очень удобны для монтажа в малоразмерные щиты. Исходя из сказанного следует, что при достаточно больших габаритах объекта и соответственно больших нагрузочных токах целесообразно отказываться от применения разделительных дросселей и размещать УЗИП разных ступеней защиты на расстоянии не ближе 10 м, в различных распределительных щитах.
В том случае если дроссели все же применяются, необходимо предусмотреть на вводе в электроустановку или в той линии, где установлены дроссели, устройства защиты от сверхтоков (автоматические выключатели или предохранители) соответствующего номинала, которые смогут защитить дроссели и проводники электроустановки от токов перегрузки и короткого замыкания. Пример подобного решения приведен на рисунке 6. В данном случае применение предохранителей, включенных последовательно с каждым УЗИП, становится технически нецелесообразным, так как предусмотренные производителем УЗИП номиналы предохранителей превышают номиналы предусмотренных модельным рядом разделительных дросселей (максимальное значение 120А).
При отсутствии дросселей в схеме защиты (рис. 5, 6), необходимо обеспечить защиту электроустановки от аварийных режимов короткого замыкания в УЗИП при помощи включения последовательно с ними предохранителей с номиналом, предложенным в технических условиях изготовителя данных устройств. Предохранители можно не устанавливать при очевидно более низком номинальном значении устройства защиты от сверхтоков (автоматического выключателя или предохранителя), установленного перед точкой включения УЗИП по ходу электроэнергии.
Основные технические характеристики защитных устройств, примененных в рассмотренных выше схемах, приведены в Таблице 1.
Таблица 1
| Название устройства |
Класс (согл. ГОСТ Р 51992-2002) |
Uc (В) |
Iimp (кА) при (10/350 мкс) |
Isn (кА) при (8/20 мкс) |
Imax (кА) при (8/20 мкс) |
Up (кВ) |
Тип устройства |
| HAKELSTORM HS55 (L - N) |
I |
275 |
55 кА |
|
|
<4; кВ |
Разрядник |
| HAKELSTORM HS100 (N - PE) |
1 |
275 |
120 кА |
|
|
<2; кВ |
Разрядник |
| SPC1.1 90 kA |
I - II |
320 |
12 кА |
50 кА |
90 кА |
L/N <1,3 кВ |
Варистор |
| (1-о фазный) |
| SPC3.1 150 kA |
I - II |
320 |
20 кА |
80 кА |
150 кА |
L/N <1,7 кВ |
Варистор |
| (3-х фазный) |
| PIII 280 |
II |
320 |
- |
20 кА |
40 кА |
<1,3 кВ при |
Варистор |
| Iп = 20 кА |
| В20/С |
II |
275 |
20 кА |
20 кА |
50 кА |
<1,3 кВ при |
Разрядник |
| Iimp= 20 кА |
| SPU3-240 |
II |
282 |
L/N 3 кА |
20 кА |
40 кА |
L/N <1,3 кВ |
Комбинированное |
| N/PE 20 кА |
N/PE <1,3 кВ |
| SPU3-280 |
II |
320 |
L/N 3 кА |
20 кА |
40 кА |
L/N <1,3 кВ |
Комбинированное |
| N/PE 20 кА |
N/PE <1,3 кВ |
Примечания:
1. Указаны только крайние позиции в серии устройств SPC
2. Указаны только однофазные устройства серии SPC
|